Tamtron Group (Finland) - The Finnish Transport Agency wants to improve the safety of train traffic, reduce environmental nuisance and reduce the maintenance costs with the automatic Tamtron Scalex Wild measuring system.
High speeds, heavy loads and challenging weather conditions are hard on the wheels of railway equipment. For example, they may develop flat spots due to locked brakes, which makes the wheel wear out of roundness and causes damage to rolling stock and the rails. Material defects or steel fatigue may also cause pieces of the wheel to come loose.
“A flat spot on a wheel’s running surface hits the rail on each revolution and the wheel bearings are also subjected to an equivalent force. When this continues long enough, the bearings start to break and finally jam. In the end, the axle may break and derail the train,” explains Seppo Mäkitupa, Head of the railway unit at the Finnish Transport Agency.
In Finland, the Finnish Transport Agency is responsible for the upkeep, maintenance and development of the railway network. Its duty is to maintain the railway network in good condition in order to ensure safe and efficient transport.
If a wheel with a circumference of approximately three metres has a flat spot, the fault will hit the rail once every three metres. At extremely low temperatures, the rail develops such high stresses that when a flat spot hits, the rail may even break, which may result in safety equipment failures, traffic disruptions and accidents. Faulty train wheels also cause environmental nuisance. They cause running noise and ground vibration that disturb people who live near the railway.
Fault detection by the ear:
“Beforehand, we used to try to detect train wheel defects by listening to the sound of passing trains. Whenever a train passed the station, one of the duties of the personnel was to listen to the wheels and the noises they made. Perhaps it was a little laborious, but we did find some faults even then. Over the years, however, train stations have been closed and personnel reduced, so we needed to make the detection of wheel defects automatic using equipment installed on the tracks,” says Mäkitupa.
There also used to be spot checks of the wheels of stationary trains. However, it was impossible to inspect the entire wheel because most of it is hidden behind the brake or bogie structure or against the tracks. Out-of-roundness could only be detected by performing measurements at the repair shop, which made inspections slow and expensive.
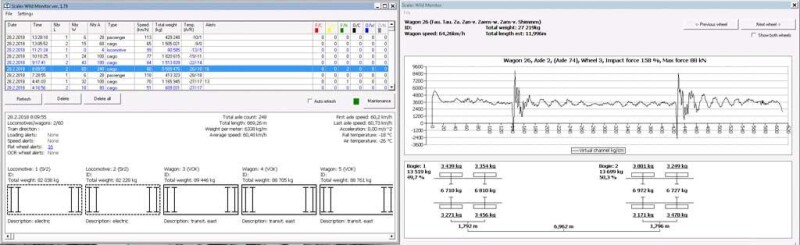
Scalex Wild detects wheel defects by monitoring the forces between the rails and wheels in real time.
Solution through an automatic measuring system:
In 2010–2011, the Finnish Transport Agency tested three different supplier’s measuring systems for flat detection on the mainline south of Oulu and decided on the Finnish solution developed by Tamtron. It ordered for its use a total of 16 Tamtron Scalex Wild measuring systems, 12 of which were installed on railway lines and four at border crossings at the Russian border.
Scalex Wild detects wheel defects by monitoring the forces between the rails and wheels in real time. It also serves as a train scale that weighs each axle, bogie and wagon and also reacts to loading errors. Measuring is possible at line speeds, with a train speed of 20–250 km/h. Scalex Wild has a very high measuring frequency, and the result is reliable because wheel impact loads are monitored for two complete revolutions.
“The system automatically measures each crossing equipment unit, or engine and wagon. Whenever a train comes, the system activates, measures it and sends the measuring data to the Finnish Transport Agency’s technical control room. There, the data is processed and forwarded to the rolling stock maintenance unit,” says Mäkitupa.
If the control room notices something abnormal in the measuring data, such as flat wheels or overloaded wagons, the issue is addressed quickly. Equipment damage due to flat spots and other wheel defects can be avoided by stopping defective wagons before greater damage occurs.
At first, no limit values were used and the system only collected measuring data. After the measurement of approximately five million axles, limit values were defined in order to eliminate the wheel defects that are the most detrimental to the railway and equipment. With the increased amount of equipment and data, using limit values has made it possible to improve the condition of wheels, and it has been possible to adopt new, slightly lower limit values.
Wheels stay in better condition:
Since the adoption of the Scalex Wild measuring system, many things have improved with regards to the condition of the railway network and equipment.
“The system is impartial and of uniform quality compared to trying to detect defects by the ear at stations. It gives us unambiguous numerical values and clear force graphs that we can use to check the condition of the wheel, if necessary,” says Mäkitupa.
Axles have no longer broken due to bearing faults caused by flat wheels, which has increased the safety of railway traffic.
The condition of wheels of railway equipment has improved since the use of measurement results in their maintenance started. Using the RFID tags of rolling stock, the travel history of an individual wheel can be monitored at different times and in different places, and it can be observed how wheel defects develop. Incipient wheel defects can be addressed much earlier than before. Axles have no longer broken due to bearing faults caused by flat wheels, which has increased the safety of railway traffic. There is also less running noise and ground vibration caused in the vicinity of the railway.
According to Mäkitupa, monitoring over a longer period of time is needed in order to estimate the savings achieved. VR and freight rail operator Fenniarail have already praised the clear savings that the system has brought them.
“Wheels do not need to be scrapped as often and can instead be reshaped with a lathe. This is a win-win situation for the railway network operator and traffic contractors,” says Mäkitupa.
Smooth cooperation from the start:
Finnish Transport Agency and its predecessor, the Finnish Rail Administration, have worked with Tamtron since the beginning of the 21st century. The necessary practical trials in the development of wheel impact load detectors were – and are today – performed with a testing device installed in the state’s railway network.
“Cooperation with Tamtron’s dedicated and competent personnel has been extremely smooth since the beginning of the testing. The Finnish Transport Agency especially appreciates the appropriateness of the Scalex Wild system, the supplier’s active approach to problematic situations, the availability of service and maintenance on a short notice, the excellent reachability of contact persons and smooth communications in general,” says Mäkitupa.
The equipment network is now mostly complete, and the Finnish Transport Agency will support the development of the measuring system to meet the operational needs even better.





















Interested? Submit your enquiry using the form below:
Only available for registered users. Sign In to your account or register here.